PO是专门为大型及关键电力场所设计的SCADA解决方案,可融合中低压电气网络,同时集成一次设备状态监测,帮助数据中心、
工业、机场和电力密集型设施最大化提升效率、保障稳定电力系统运行。
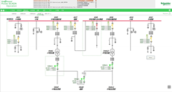
通过在互联互通设备端收集的丰富数据,PO可通过其独特的功能设计提供实时状态显示及高 速响应,并为您的专用电力网络提供高性能的、具备运维弹性的解决方案



PO可最大限度地提高业务连续性和运营绩效,并帮助操作人员和应用工程师有效获取到所需的指导和数据依 据,确保其在关键时机做出准确决策: 并确保操作人员和应用工程师可以在恰当时机获取做出关键决策所需的洞见和数据:
支持更安全的操作 PO可使电气网络更加可靠、功能更 加强健,从而帮助您实现更安全的运营,为您的人员和 资产保驾护航。
确保电力可用性 通过电力事件分析工具的先进自动化 分析技术,PO能迅速进行故障溯源,判定事件发生的 根本原因,速度比过程自动化SCADA系统以及楼宇管 理系统几乎快3倍。
提升运行操作效率 提供融合中低压电气网络的一体化 电力监控系统,同时集成一次设备状态监测,全面提升 运管维效率。
抵御网络安全的威胁 PO现已通过 IEC 62443 4-1 和位于服务级别2 (SL2, Service Level 2) 的IEC 62443 4-2网络安全认证。
简易高效的部署 PO通过第三方权威机构DNV-GL 的IEC 61850标准认证,采用自上而下的工程应用 流程帮助实现更简易快速地部署,从而缩短调试 时间。
提高系统可持续性 PO可集成高级报表及能效分析 功能,帮助系统降低能耗、节约用能成本,并已通过 ISO50001标准认证